Translate with 
MENU ZAVŘÍT

Prodej domu 140 m², Žitenice (ID 198-NP02685)

Žitenice – část obce Pohořany mapa

5 286 000 Kč (vč. DPH, za nemovitost)
ENehospodárná

4x
140 m2
273 m2
2
Exkluzivně

POHOŘANY, RD 4+1, STODOLA, GARÁŽ,

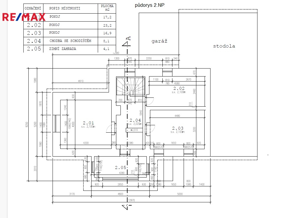
POHOŘANY - rodinný dům s dispozicí 4+1 je překvapivě prostorný, ač tak z čelního pohledu nepůsobí nabízí 140 m2 užitné plochy ( bez garáže, stodoly, sklepa). V přízemí je předsíň, kuchyň, obývací pokoj, technický kumbál za krbovými kamny, místnost pro pračku a sušičku, samostatné WC, koupelna s velkým zděným sprchovým koutem i rohovou vanou. Součástí kuchyňské linky je sklokeramická varná deska, el.trouba, dřez a lednice. Krbová kamna jsou umístěna v chodbě ve středu domu v přízemí .
V patře tři samostatné pokoje a balón/zimní zahrada s vytápěním. Dřevěné schodiště a podlahy v patře, krom jednoho pokoje, kde je koberec. Snížené stropy sádrokartonovým podhledem s osvětlením.
Veliká stodola s plochou 73m2 a s půdou s možností vestavby, která by mohla mít samostatný vchod. V prostorách stodoly další dvě samostatné místnosti, dále průchod do garáže ( 16m2), do které je vjezd ze zadní strany nemovitosti.
Malý sklípek na víno, kompoty,brambory. Dvoreček se záhony a místem pro posezení, krásné výhledy na Litoměřice a České středohoří.
Topení a ohřev vody zajišťuje plynový kotel, dále je k dispozici pro ohřev vody i boiler. Krbová kamna mají výměník s napojením do otopné soustavy. Elektroinstalace nové v mědi, rozvody vody nově v plastu, nové rozvody plynu a otopné soustavy. Příprava na osazení radiátoru k otopné soustavě je i ve stodole. V případě dotazů či sjednání prohlídky mě neváhejte kontaktovat.
Cena:
5 286 000 CZK / za nemovitost
Poznámka k ceně:
ZAJISTÍM VÝHODNÉ FINANCOVÁNÍ
Upozornění:
Prodávající si vyhrazuje právo vybrat kupujícího na základě jím zvolených kritérií.
RX finance

Spočítejte si splátku hypotéky

Na kolik vás vyjde pořízení vlastního bydlení? Zadejte pár informací do naší hypoteční kalkulačky a hned si prohlédněte výsledek.

Kupní cena nemovitosti

5 286 000 Kč

Výše hypotéky

Doba splácení

Vypočítaná měsíční splátka

Úroková sazba 3.6%

260 990 Kč

Hypotéku zařídíme za vás

Ušetřete svůj čas i nervy. Naši makléři zařídí veškeré papírování a dovedou vás až k úspěšnému podpisu smlouvy v bance.

Nechte nám kontakt, náš makléř se v pracovní dny ozve do 24 hodin

* – toto pole je nutné vyplnit
Michaela Černíková
RE/MAX Progress
Vodní 5178
Zlín, 76001
Česká republika
Tel. na makléře: +420 724 505 659
Tel. do kanceláře: +420 739 570 771
E-mail: michaela.cernikova@re-max.cz

Potřebujete poradit/máte zájem o prohlídku?

* – toto pole je nutné vyplnit

Podrobné informace

Číslo zakázky:
ID 198-NP02685
Poloha objektu:
V bloku
Počet podlaží v objektu:
2
Užitná plocha:
140 m²
Plocha parcely:
273 m²
Druh objektu:
Cihlová
Stav objektu:
Velmi dobrý
Typ nemovitosti:
Domy a vily
Odpad:
Kanalizace
Ostatní rozvody:
Kabelové rozvody
Zastavěná plocha:
160 m²
Telekomunikace:
Telefon, Internet
Typ domu:
Patrový
Voda:
Dálkový rozvod
Energetická náročnost budovy:
E
Měrná vypočtená roční spotřeba energie v kWh/m²/rok:
180